grundsätzlich bin ich ja gegen einen Vollautomatischen Betriebsablauf
auf der Gartenbahnanlage
Aaaaber ...
neulich hat mich unser Andy auf eine geniale Idee hingestossen:
Wäre das nicht klasse
Jetzt meine Fragen:
Euer stinkfauler
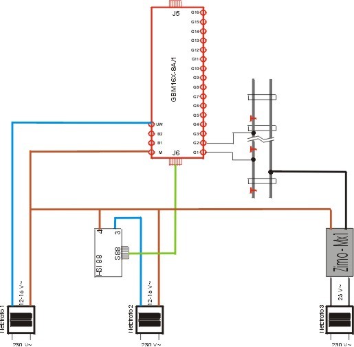
Das Interface,Harald hat geschrieben:Was brauche ich alles dazu
![]()
Latürnich, man kann sich das ungefähr "grob" so vorstellen:Harald hat geschrieben:Geht so etwas überhaupt
![]()
Es ist mit der LGB Software relativ leicht solche einfachen Aufgaben zu lösen,Harald hat geschrieben:Was muss ich beachten
![]()
Wie bereits erzählt habe ich an meinem 40. Geb auf der Festtafel ein Gleisoval mit ein paar Bahnhofsgleisen aufgebaut,Harald hat geschrieben:Wer von Euch macht das schon
![]()
Hey Andy,Andreas hat geschrieben:Das Interface,
PC + LGB Software;
Magnete an den Loks;
Gleiskontakte 17100
Weichendekoder,
Rückmeldemodule 55070 (pro 4 Gleiskontakte);
Hier meinte ich, "Wird abrupt abgebremst?"Harald hat geschrieben:Wie ist das dann mit Bremsen und so

1. - Digitalsystem mit Ausgabe (Hast Du schon)Was brauche ich alles dazu
Was muss ich beachten
Geht so etwas überhaupt
Wer von Euch macht das schon
Das hängt von der Software ab. Bei guter Software butterweich und auf den Punkt genau.Wie ist das dann mit Bremsen und so
zu1) Na das ist mir ja ganz neu !Harald hat geschrieben: 1) Hey Andy,langsam, ich nix LGB-Digital
2) Also pro Schaltvorgang 1x Gleiskontakt und 1x Anschluss an Rückmeldemodul
Belegtmodul damit der Computer sieht da steht was 1x Anschluss
Ist das so richtig
3)Wie ist das dann mit Bremsen und so
4)Bei uns ist das nämlich nicht so einfach, wir haben keinen Rundkurs.
Ich hab eigentlich nicht den Decoder gemeint. Du kannst in der Lokliste für jede Lok indviduell eine Anfahr- und Bremsverzögerung einstellen, die dann noch zusätzlich zu den im Decoder programmierten Einstellungen wirkt. Der Decoder muss also nicht unbedingt angepasst werden, um einen längeren Bremsweg zu bekommen.homas hast ja schon gepostet - und wenn du den Decoder goud einstellts wird die Lok auch keine vollbremsung machen
Hallo Daniel,Daniel hat geschrieben: Kostenpunkt in Deinem Fall (wenn ich Deine vorhandene Handware berücksichtige): etwa 200 EUR.
Daniel hat geschrieben: Pro Block brauchst Du im Optimalfall 3 Rückmelder.
